注意:故障などの問題を保証していません 自己責任での利用をお願いします
ケーブルの選択
入力ケーブル
USB TypeCのケーブルを選択してください。
5A対応のものは電源線が太いです
USB TypeAのコネクタが出力になります
https://www.sengoku.co.jp/mod/sgk_cart/search.php?cid=4335
カモン USBTypeAからDCプラグへのケーブルが千石電商で購入できます
中央のスルーホールに電線を直接はんだ付けすることもできます

設定変更前に全ての接続を取り外してください
ディップスイッチで指示電圧を変更してください
USB-PDを接続し、テスターで電圧を確認してください
PPSとの非互換性やその他の要因により、誤った電圧出力が発生する可能性があります
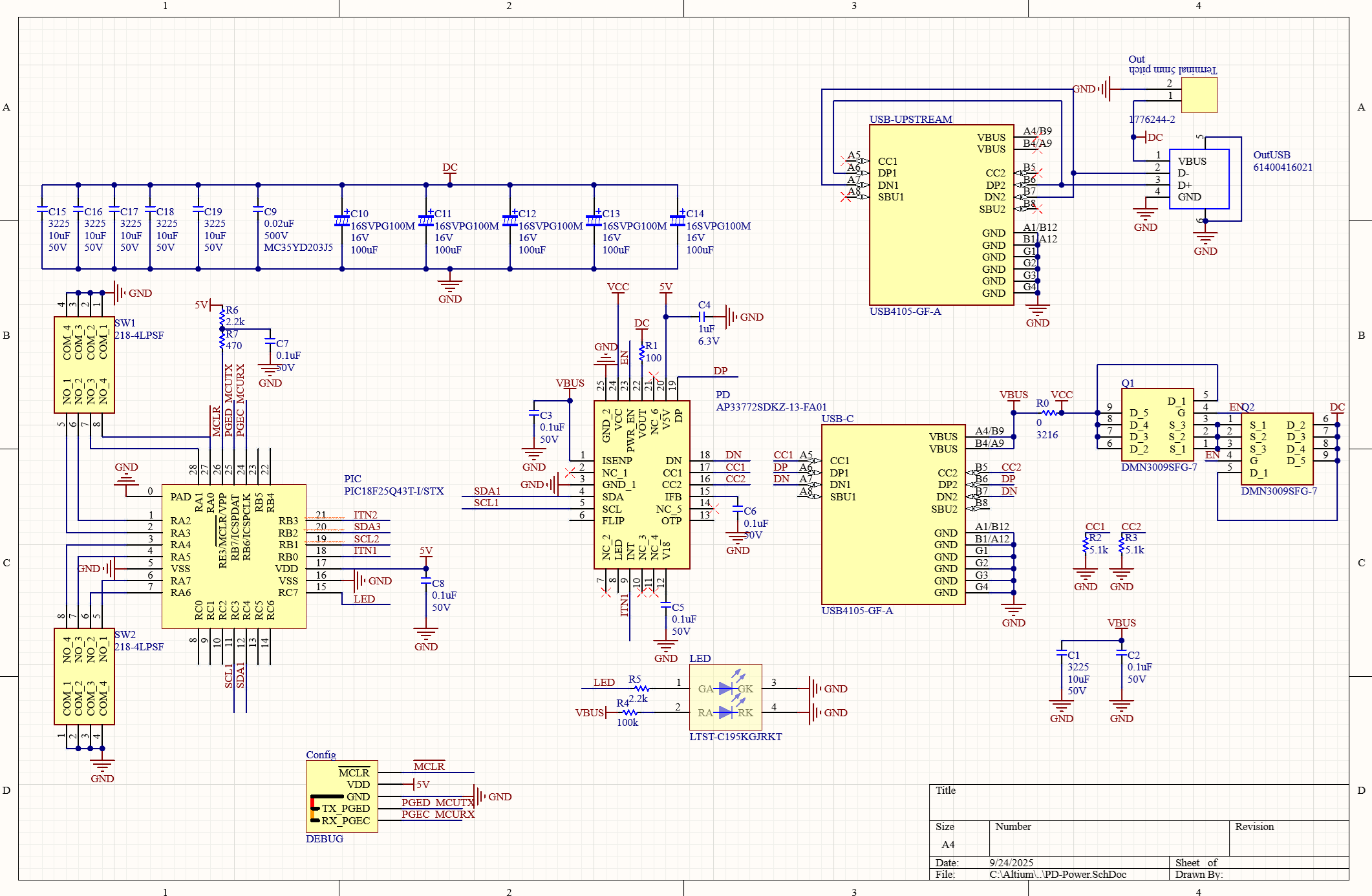
テストポイント

LED 赤 = USB PD の入力電圧で点灯
LED 緑 = PDコントローラへ指示電圧の設定が終わると点灯
Anker Nano II 45W
https://www.amazon.co.jp/dp/B08X1M3JN9?ref=ppx_yo2ov_dt_b_fed_asin_title

Voltage = Value x 0.1 + 3.3V
*Limit 16V
Value
switch | SW2 | SW1 | ||||||
| 4 | 3 | 2 | 1 | 4 | 3 | 2 | 1 | |
bit | 7 | 6 | 5 | 4 | 3 | 2 | 1 | 0 |

3.3V
(3.3 - 3.3) x 10 = 0 value = 0000 0000 bit
Numver | 1 | 2 | 3 | 4 |
SW1 | OFF | OFF | OFF | OFF |
SW2 | OFF | OFF | OFF | OFF |
5.0V
(5.0 - 3.3) x 10 = 17 value = 0001 0001 bit
Numver | 1 | 2 | 3 | 4 |
SW1 | ON | OFF | OFF | OFF |
SW2 | ON | OFF | OFF | OFF |
5.2V
(5.2 - 3.3) x 10 = 19 value = 0001 0011 bit
Numver | 1 | 2 | 3 | 4 |
SW1 | ON | ON | OFF | OFF |
SW2 | ON | OFF | OFF | OFF |
7.2V
(7.2 - 3.3) x 10 = 39 value = 0010 0111 bit
Numver | 1 | 2 | 3 | 4 |
SW1 | ON | ON | ON | OFF |
SW2 | OFF | ON | OFF | OFF |
7.5V
(7.5 - 3.3) x 10 = 42 value = 0010 1010 bit
Numver | 1 | 2 | 3 | 4 |
SW1 | OFF | ON | OFF | ON |
SW2 | OFF | ON | OFF | OFF |
9.0V
(9.0 - 3.3) x 10 = 57 value = 0011 1001 bit
Numver | 1 | 2 | 3 | 4 |
SW1 | ON | OFF | OFF | ON |
SW2 | ON | ON | OFF | OFF |
12.0V
(12.0 - 3.3) x 10 = 87 value = 0101 0111 bit
Numver | 1 | 2 | 3 | 4 |
SW1 | ON | ON | ON | OFF |
SW2 | ON | OFF | ON | OFF |
16.0V
(9.0 - 3.3) x 10 = 127 value = 0111 1111 bit
Numver | 1 | 2 | 3 | 4 |
SW1 | ON | ON | ON | ON |
SW2 | ON | ON | ON | OFF |
