Warning: We do not guarantee against malfunctions or other issues. Use at your own risk.
Please disconnect the all device before changing the settings.
Connect the USB-PD and check the voltage with a tester.
Incompatibility with PPS or other factors may cause incorrect voltage output.
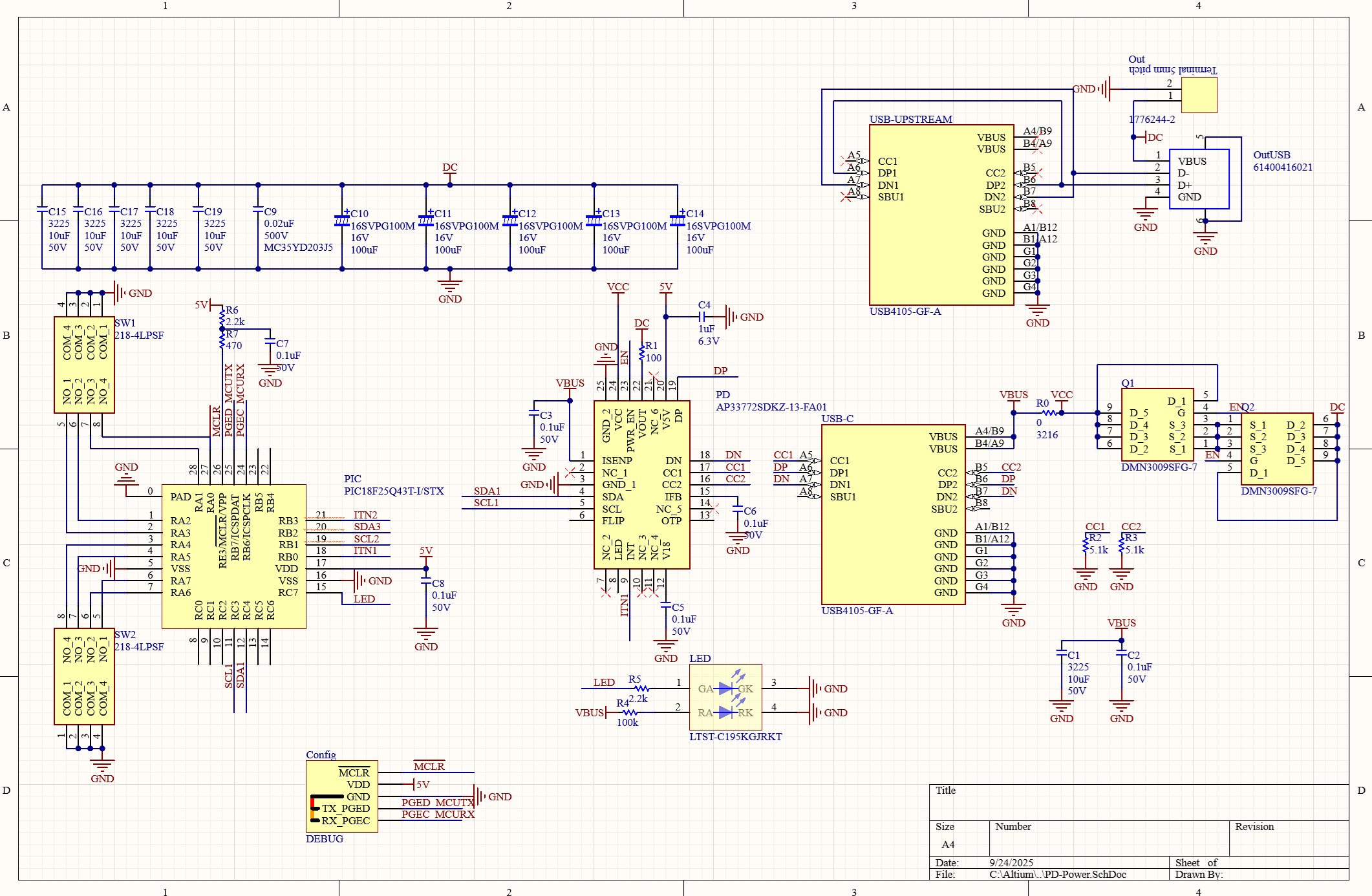
Test Point

LED RED = USB PD input VBUS
LED Green = Setting of the reference voltage to the PD is complete
Anker Nano II 45W

Voltage = Value x 0.1 + 3.3V
*Limit 16V
Value
switch | SW2 | SW1 | ||||||
| 4 | 3 | 2 | 1 | 4 | 3 | 2 | 1 | |
bit | 7 | 6 | 5 | 4 | 3 | 2 | 1 | 0 |

3.3V
(3.3 - 3.3) x 10 = 0 value = 0000 0000 bit
Numver | 1 | 2 | 3 | 4 |
SW1 | OFF | OFF | OFF | OFF |
SW2 | OFF | OFF | OFF | OFF |
5.0V
(5.0 - 3.3) x 10 = 17 value = 0001 0001 bit
Numver | 1 | 2 | 3 | 4 |
SW1 | ON | OFF | OFF | OFF |
SW2 | ON | OFF | OFF | OFF |
5.2V
(5.2 - 3.3) x 10 = 19 value = 0001 0011 bit
Numver | 1 | 2 | 3 | 4 |
SW1 | ON | ON | OFF | OFF |
SW2 | ON | OFF | OFF | OFF |
7.2V
(7.2 - 3.3) x 10 = 39 value = 0010 0111 bit
Numver | 1 | 2 | 3 | 4 |
SW1 | ON | ON | ON | OFF |
SW2 | OFF | ON | OFF | OFF |
7.5V
(7.5 - 3.3) x 10 = 42 value = 0010 1010 bit
Numver | 1 | 2 | 3 | 4 |
SW1 | OFF | ON | OFF | ON |
SW2 | OFF | ON | OFF | OFF |
9.0V
(9.0 - 3.3) x 10 = 57 value = 0011 1001 bit
Numver | 1 | 2 | 3 | 4 |
SW1 | ON | OFF | OFF | ON |
SW2 | ON | ON | OFF | OFF |
12.0V
(12.0 - 3.3) x 10 = 87 value = 0101 0111 bit
Numver | 1 | 2 | 3 | 4 |
SW1 | ON | ON | ON | OFF |
SW2 | ON | OFF | ON | OFF |
16.0V
(9.0 - 3.3) x 10 = 127 value = 0111 1111 bit
Numver | 1 | 2 | 3 | 4 |
SW1 | ON | ON | ON | ON |
SW2 | ON | ON | ON | OFF |
